首页
关于我们
产品展示
新闻动态
公司资质
联系我们
XL-21动力配电箱
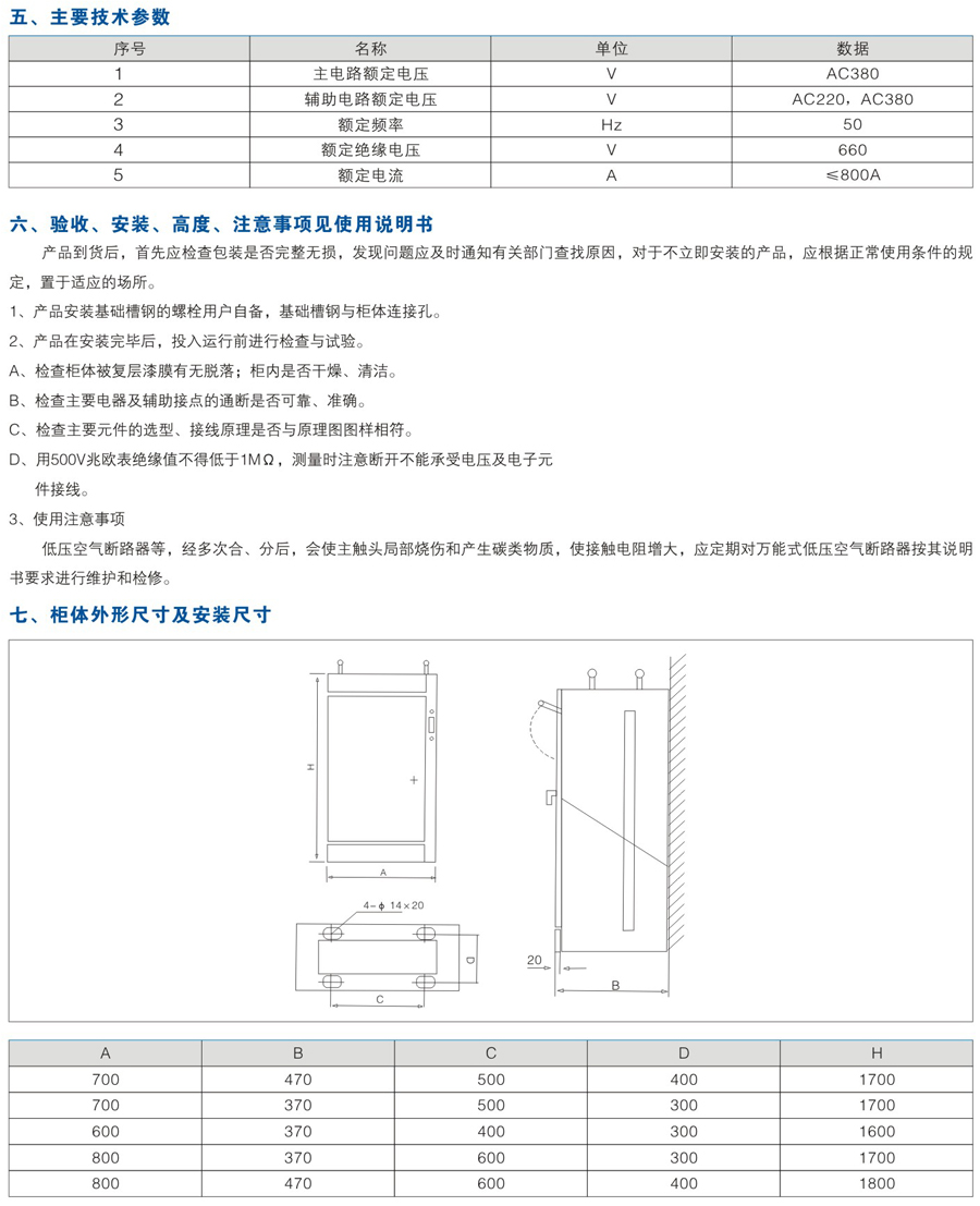
JXF配电箱
GCK低压抽出式开关柜
GGD交流低压配电柜
XL-21动力配电箱
PZ30低压终端配电箱
XL-21动力配电箱
产品名称:
XL-21动力配电箱
产品描述
没有了!
没有了!
询价单
联系信息
联系人:
手机:
电话:
邮箱:
邮编:
传真:
企业名称:
留言内容:
验证码
COPYRIGHT © 无锡智鹏电力设备有限公司 无锡恒业电气工程有限公司
苏ICP备06044383号